Opening Hours - Mon to Sat: 10AM to 6PM
AN ISO 9001:2015 Certified Company
Email Us
flexitech@yahoo.com
Call Us
+917600022095
+919825413995
Home
About Us
Products
Application
Inquiry
Contact Us
RIGID COUPLING
Home
RIGID COUPLING
Products
FLEXIBLE GEAR COUPLING
RIGID COUPLING
CONTINUOUS SLEEVE COUPLING
BRAKE DRUM GEARED COUPLING
BRAKE DRUM WITH FLEXIBLE GEAR COUPLING
DISC COUPLING
SPACER DISC COUPLING
RESILIENT (GRID) COUPLING
TAPER GRID COUPLING
NYLON COUPLING
CHAIN COUPLING
MUFF COUPLING
FLEXIBLE PIN BUSH COUPLING
FB FLEX COUPLING
BRAKE DRUM PIN BUSH COUPLING
ROTEX TYPE COUPLING
HRC COUPLING
STAR COUPLING
STAR SPACER COUPLING
FLEXIBLE TYRE COUPLING
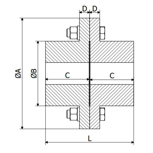
RIGID COUPLING
Product Name: Rigid Coupling (FRC)
Capacity: Up to 23,900 Nm
Max Bore: 260 mm
Robust & simple design
High torque capacity
Zero backlash
Precise shaft alignment
Easy installation & maintenance
Long service life
RIGID COUPLING